Bộ điều khiển nhiệt độ theo chương trình Shinko PCB1
Bảo hành 12 tháng
Luôn có kỹ sư hỗ trợ 24/24
COMMUNICATION INSTRUCTION MANUAL
1. Bộ điều khiển nhiệt độ theo chương trình Shinko PCB1 là gì?
Bộ điều khiển nhiệt độ theo chương trình Shinko PCB1 là dòng programmable controller được thiết kế để điều khiển nhiệt độ theo nhiều bước cài đặt sẵn trong các hệ thống công nghiệp. Khác với bộ điều khiển nhiệt độ thông thường chỉ giữ một giá trị SV cố định, PCB1 cho phép vận hành theo chương trình nhiệt gồm nhiều bước tăng nhiệt, giữ nhiệt hoặc chuyển bước theo thời gian, phù hợp cho các ứng dụng cần profile nhiệt rõ ràng và lặp lại ổn định. PCB1 là controller dạng lắp mặt tủ, hỗ trợ nhiều loại đầu vào như thermocouple, RTD, dòng điện và điện áp DC, đồng thời có nhiều tùy chọn ngõ ra điều khiển và truyền thông.
2. Đặc điểm nổi bật của Shinko PCB1
- Kích thước tiêu chuẩn 96 x 96 mm, phù hợp lắp tủ công nghiệp.
- Hỗ trợ tối đa 10 chương trình nhiệt, 10 bước nhiệt cho mỗi chương trình.
- Có thể liên kết chương trình để vận hành đến 100 bước nhiệt.
- Màn hình hiển thị lớn, dễ quan sát trong nhà máy.
- Kích thước ký tự PV lớn khoảng 24 x 11 mm theo thông tin giới thiệu của hãng.
- Có thể thiết lập nhanh bằng cáp chuyên dụng và cáp USB.
- Nếu dùng tool cable, PCB1 có thể nhận nguồn từ cổng USB khi setup.
- Mặt trước đạt chuẩn IP66 chống bụi và chống nước bắn.
- Hỗ trợ nhiều loại đầu vào và nhiều tùy chọn output cho các bài toán điều khiển nhiệt khác nhau.
PCB1 đáp ứng tốt nhu cầu điều khiển nhiệt độ theo chương trình trong công nghiệp, đặc biệt với các hệ thống cần chạy nhiều giai đoạn nhiệt liên tiếp, yêu cầu hiển thị rõ, thao tác cài đặt linh hoạt và có khả năng mở rộng truyền thông hoặc cảnh báo.
3. Model

(1) Có thể chọn Thermocouple, RTD, dòng điện trực tiếp hoặc điện áp DC bằng bàn phím.
(2) Mỗi lần chỉ có thể chọn một tùy chọn từ Option 1 và Option 2 tương ứng.
(3) Nếu chọn “ngõ ra relay điều khiển Heating/Cooling” trong [phân bổ ngõ ra sự kiện EV2], thì chức năng này sẽ hoạt động như tùy chọn DR.
(4) Tùy chọn EV3□ và tùy chọn EIT không thể sử dụng đồng thời.
(5) Nếu ngõ ra điều khiển OUT1 là relay hoặc điện áp không tiếp điểm, thì không thể sử dụng các tùy chọn C5W, EIW hoặc W.
(6) Có thể chọn “truyền SV dạng số” hoặc “nhận SV dạng số” trong [giao thức truyền thông].
4. Thiết kế bộ điều khiển PCB1
PCB1 được thiết kế theo dạng lắp mặt tủ điện, với kích thước mặt trước chuẩn 96 x 96 mm. Phù hợp cho môi trường nhà máy nơi người vận hành cần đọc nhanh giá trị đo và trạng thái điều khiển. Thiết bị sử dụng kiểu lắp panel công nghiệp, phù hợp tích hợp trong tủ điện và hệ thống điều khiển nhiệt.
| Hạng mục | Thông số PCB1 |
|---|---|
| Kích thước mặt trước | 96 × 96 mm |
| Kiểu lắp đặt | Lắp mặt tủ, flush mount |
| Panel cutout | 92 × 92 mm |
| Chiều sâu tổng thể | Khoảng 130 mm theo hình kích thước catalog |
| Mặt trước | Màn hình hiển thị số lớn, phím cài đặt phía trước |
| Chống bụi/nước | Mặt trước IP66 |
| Hiển thị | Phù hợp quan sát PV lớn, dễ xem trong công nghiệp |
5. Điều khiển theo chương trình nhiệt với 10 chương trình, 10 bước mỗi chương trình
Điểm mạnh lớn nhất của PCB1 là khả năng điều khiển theo chương trình nhiệt thay vì chỉ điều khiển giữ nhiệt độ cố định. PCB1 hỗ trợ 10 pattern và tổng cộng 100 steps, tương ứng 10 bước cho mỗi chương trình. Các pattern này có thể liên kết với nhau, giúp thiết bị đáp ứng các bài toán điều khiển nhiệt nhiều giai đoạn trong sản xuất.
Ngoài số lượng chương trình và bước, PCB1 còn cho phép cài đặt số lần lặp từ 0 đến 10000 lần. Dải thời gian chương trình cho mỗi bước là từ 0 đến 99 giờ 59 phút mỗi step hoặc 0 đến 99 phút 59 giây mỗi step. Đây là cấu hình phù hợp cho các ứng dụng ramp/soak, sấy, ủ nhiệt, gia nhiệt theo chu trình hoặc quy trình nhiệt có lặp.

6. Màn hình lớn, dễ quan sát trong vận hành
PCB1 được Shinko giới thiệu là dòng có large display giúp dễ dàng quan sát. Đây là lợi thế rõ ràng trong môi trường công nghiệp, nơi người vận hành cần nhìn nhanh giá trị PV từ khoảng cách tương đối xa hoặc trong điều kiện ánh sáng nhà xưởng. Màn hình hiển thị PV lớn, kích thước ký tự khoảng 24 x 11 mm, hỗ trợ đọc giá trị đo có dải lớn thuận tiện hơn.

7. Thiết lập chức năng nhanh bằng cáp chuyên dụng và cáp USB
Một điểm nổi bật khác của PCB1 là khả năng cài đặt thông số bằng máy tính thông qua tool cable và USB cable. Catalog chính hãng liệt kê phụ kiện bán rời gồm Tool cable CMD-001 và USB cable CUS-100, đồng thời phần giới thiệu sản phẩm nhấn mạnh quick setup using the Tool Cable and USB cable.

8. Hỗ trợ nhiều loại tín hiệu đầu vào
PCB1 hỗ trợ rất đa dạng tín hiệu đầu vào. Thiết bị nhận được các loại thermocouple như K, J, R, S, B, E, T, N, PL-II và C; RTD gồm Pt100, JPt100 loại 3 dây; ngoài ra còn hỗ trợ direct current 0 đến 20 mA, 4 đến 20 mA DC và các dải điện áp DC như 0 đến 1 V, 0 đến 5 V, 1 đến 5 V, 0 đến 10 V DC.
Nhờ hỗ trợ nhiều loại tín hiệu như vậy, PCB1 có thể dùng linh hoạt cho các hệ thống và dây chuyền cần theo dõi hoặc điều khiển nhiệt độ từ nhiều loại cảm biến công nghiệp khác nhau.
9. Nhiều lựa chọn ngõ ra điều khiển
Shinko PCB1 có các cấu hình ngõ ra điều khiển khá linh hoạt.
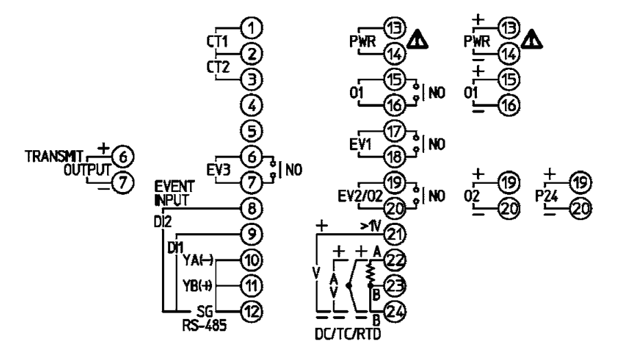
- OUT1: Người dùng có thể chọn relay contact 1a, non-contact voltage cho SSR drive 12 V DC hoặc direct current 4 đến 20 mA DC. Với relay contact, khả năng chịu tải được hãng công bố là 3 A 250 V AC cho tải thuần trở và 1 A 250 V AC cho tải cảm.
- OUT2: Cấu hình event output EV2 hoặc heating/cooling control output. Tùy model, OUT2 có thể là relay, non-contact voltage hoặc direct current. Điều này giúp PCB1 phù hợp cả cho điều khiển cơ bản lẫn điều khiển gia nhiệt/làm mát hoặc kết hợp thêm chức năng phụ trong hệ thống.

10. Chương trình nhiệt phù hợp cho các ứng dụng ramp/soak và nhiều giai đoạn nhiệt
Do PCB1 là programmable controller, thiết bị đặc biệt phù hợp cho các bài toán gia nhiệt có nhiều giai đoạn. Mỗi step có thể được đặt thời gian riêng, tổng hợp thành một profile nhiệt hoàn chỉnh. PCB1 có khả năng thực hiện fixed value control khi dùng step SV, đồng thời hỗ trợ wait value với thermocouple, RTD hoặc DC voltage/current input trong các giới hạn nhất định.

11. Nhiều chức năng event và mở rộng
PCB1 hỗ trợ nhiều điểm mở rộng tùy option, gồm event output EV1, event output EV2, event output EV3, event input DI1, event input DI2, heater burnout alarm, insulated power output P24 và transmission output tùy model. Các chân terminal cho những chức năng này trên sơ đồ đấu nối.
12. Hỗ trợ truyền thông RS-485
PCB1 có option truyền thông RS-485. Manual truyền thông của hãng cho biết các phiên bản tương ứng hỗ trợ half-duplex communication, với các giao thức như Shinko protocol, MODBUS ASCII và MODBUS RTU. Tốc độ truyền thông có thể chọn 9600, 19200, 38400 bps, mặc định nhà máy là 9600 bps.
Lưu ý rằng serial communication và console communication không thể dùng cùng lúc. Khi thực hiện serial communication, cần tháo tool cable CMD-001 khỏi cổng USB của PC và đầu nối tool cable của PCB1. Đây là điểm rất quan trọng khi tích hợp PCB1 với PLC, HMI hoặc phần mềm giám sát.
13. Có transmission output và nguồn phụ cách ly tùy chọn
Ngoài điều khiển nhiệt độ, PCB1 còn có option transmission output 4 đến 20 mA DC với độ phân giải 12000 và tải tối đa 550 Ω. Manual tóm tắt cũng nêu response time của transmission output là 400 ms cộng với chu kỳ lấy mẫu đầu vào.
Thiết bị cũng có option insulated power output 24 ± 3 V DC khi dùng option P24, với dòng tải tối đa 30 mA DC. Đây là điểm hữu ích trong một số cấu hình hệ thống cần nguồn phụ cách ly cho thiết bị ngoài hoặc mạch liên quan.
14. Chu kỳ lấy mẫu nhanh và độ chính xác phù hợp công nghiệp
Theo bảng thông số, PCB1 có input sampling period 125 ms. Về độ chính xác cơ bản, hãng công bố với thermocouple là trong khoảng ±0.2% of each input span ±1 digit trong điều kiện quy định; với RTD là ±0.1% of each input span ±1 digit; với direct current và DC voltage là ±0.2% of each input span ±1 digit.
15. Chống bụi và chống nước mặt trước theo chuẩn IP66
Shinko nhấn mạnh PCB1 đạt chuẩn Drip-proof / Dust-proof IP66 (for front panel only). Điều này có nghĩa là mặt trước của controller phù hợp cho môi trường có bụi hoặc có nước bắn vào mặt tủ điện, miễn là thiết bị được lắp đặt đúng cách.
16. Phù hợp cho nhiều ứng dụng điều khiển nhiệt độ trong công nghiệp
Với khả năng điều khiển theo chương trình, hỗ trợ nhiều loại cảm biến, nhiều ngõ ra, có truyền thông RS-485, setup bằng cáp USB và mặt trước IP66, PCB1 phù hợp cho nhiều ứng dụng như:
- Lò nung
- Lò sấy
- Máy gia nhiệt
- Thiết bị xử lý nhiệt
- Máy ép nhiệt
- Hệ thống gia nhiệt nhiều công đoạn
- Tủ điều khiển nhiệt độ công nghiệp
- Các hệ thống cần chạy profile nhiệt lặp lại theo từng bước
PCB1 đặc biệt phù hợp cho các hệ thống cần chạy quy trình nhiệt có logic từng bước, thay vì chỉ giữ một mức nhiệt cố định như controller thông thường.
17. Thiết bị phù hợp cho vận hành và bảo trì thuận tiện
PCB1 có giao diện mặt trước rõ ràng, màn hình lớn, có hiển thị pattern/step và đèn báo trạng thái hoạt động. Manual cũng mô tả các chỉ thị liên quan đến output và bước chương trình, cho phép người vận hành theo dõi quá trình chạy tương đối trực quan. Thiết bị còn có thể setup bằng cáp chuyên dụng và USB, thuận tiện cho kỹ thuật viên trong quá trình cài đặt ban đầu, bảo trì hoặc thay thế nhanh trong hệ thống. Nguồn cấp cũng linh hoạt với tùy chọn 100 đến 240 V AC hoặc 24 V AC/DC tùy cấu hình model.
18. Sơ đồ đấu dây của PCB1
Tóm lại
Shinko PCB1 là bộ điều khiển nhiệt độ theo chương trình dạng programmable controller, phù hợp cho các ứng dụng công nghiệp cần chạy nhiều bước nhiệt liên tiếp và lặp lại ổn định. Với khả năng hỗ trợ tối đa 10 chương trình, 10 bước mỗi chương trình và liên kết được đến 100 bước, cùng màn hình lớn dễ quan sát, setup bằng tool cable và USB, hỗ trợ nhiều loại đầu vào, nhiều lựa chọn ngõ ra, truyền thông RS-485 và chuẩn bảo vệ IP66 ở mặt trước, PCB1 là lựa chọn phù hợp cho các hệ thống điều khiển nhiệt độ theo profile nhiệt trong công nghiệp.





