Thiết bị quản lý chất lượng nước Shinko WIL-102-ECH
Bảo hành 12 tháng
Luôn có kỹ sư hỗ trợ 24/24
1. Thiết bị quản lý chất lượng nước Shinko WIL-102-ECH là gì?
Thiết bị quản lý chất lượng nước Shinko Technos WIL-102-ECH là dòng plug-in type digital indicating conductivity meter (EC meter) dạng cắm đế, gắn DIN rail, được thiết kế để đo, hiển thị và giám sát độ dẫn điện (EC) trong các hệ thống xử lý nước.
Thiết bị hỗ trợ đo đồng thời độ dẫn điện và nhiệt độ, cho phép bù nhiệt tự động, giúp nâng cao độ chính xác và độ ổn định khi vận hành. WIL-102-ECH phù hợp cho các ứng dụng nước cấp, nước thải, RO/DI, bể công nghệ và các hệ thống giám sát chất lượng nước trong công nghiệp.
2. Đặc điểm nổi bật của WIL-102-ECH
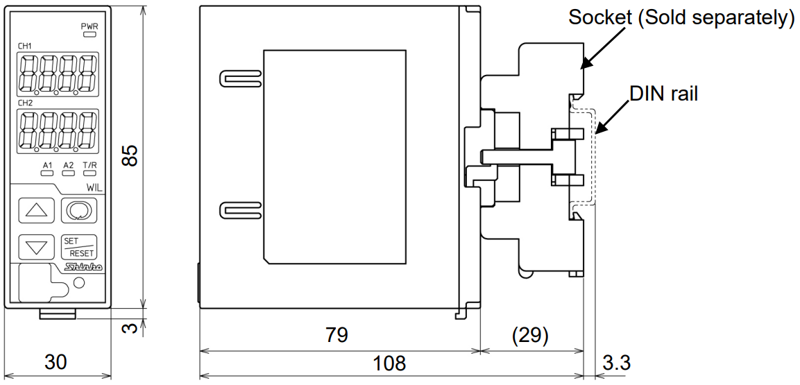
- Kích thước tiêu chuẩn 30 × 88 × 108 mm, dạng cắm đế gắn DIN rail
- Đo đồng thời độ dẫn điện (EC) và nhiệt độ
- Hỗ trợ nhiều dải đo EC (tùy cell constant)
- Hỗ trợ bù nhiệt tự động (ATC)
- Dải đo nhiệt độ: 0.0 đến 100.0°C
- Hỗ trợ hiệu chuẩn
- Có nhiều tùy chọn ngõ ra:
- 2 tiếp điểm
- 1 analog + 1 tiếp điểm
- 2 analog output
- Có chức năng cleansing output
- Hỗ trợ truyền thông RS-485 (cài đặt qua phần mềm)
- Có tùy chọn nguồn 24V AC/DC hoặc 100–240V AC
WIL-102-ECH đáp ứng tốt các nhu cầu đo và giám sát độ dẫn điện trong hệ thống nước cần thiết bị nhỏ gọn, gắn DIN rail, có cảnh báo và truyền tín hiệu.
3. Model

4. Thiết kế thiết bị WIL-102-ECH

5. Đo độ dẫn điện và nhiệt độ đồng thời
Thiết bị đo đồng thời giá trị EC và nhiệt độ dung dịch, trong đó nhiệt độ được sử dụng để thực hiện bù nhiệt, giúp giá trị EC chính xác hơn khi môi trường thay đổi.
6. Kích thước gọn, dễ tích hợp tủ điện

7. Dải đo EC phù hợp cho quản lý chất lượng nước
Thiết bị hỗ trợ nhiều dải đo EC (tùy điện cực và cell constant), phù hợp cho:
- Nước RO/DI
- Nước cấp
- Nước thải
- Kiểm soát nồng độ dung dịch
8. Đo nhiệt độ dung dịch
Hỗ trợ đo nhiệt độ 0.0 đến 100.0°C, phục vụ hiển thị và bù nhiệt cho phép đo EC.
9. Hỗ trợ nhiều loại cảm biến nhiệt độ
WIL-102-ECH hỗ trợ:
- Pt100
- Pt1000
- Các loại cảm biến nhiệt tương thích khác
10. Hiệu chuẩn
Thiết bị hỗ trợ hiệu chuẩn để đảm bảo độ chính xác của phép đo EC trong quá trình sử dụng.
11. Có chức năng đánh giá cảm biến
Thiết bị hỗ trợ kiểm tra tình trạng điện cực EC, giúp phát hiện sai lệch hoặc suy giảm cảm biến.
12. Ngõ ra tiếp điểm cảnh báo/điều khiển
Có các cấu hình:
- 2 relay output
- Hoặc 1 relay + 1 analog
Dùng cho cảnh báo hoặc điều khiển hệ thống.
13. Hỗ trợ proportional control
Thiết bị có thể tham gia điều khiển hệ thống thông qua relay hoặc analog output, phù hợp cho các hệ thống xử lý nước.
14. Ngõ ra truyền tín hiệu
Tùy chọn 4–20 mA / 0–20 mA, cho phép truyền dữ liệu EC hoặc nhiệt độ về PLC, HMI hoặc SCADA.
15. Chức năng cleansing output
Thiết bị có chức năng điều khiển làm sạch điện cực EC, giúp tăng độ bền cảm biến trong môi trường nước bẩn.
16. Truyền thông RS-485
Hỗ trợ RS-485 communication, cho phép cài đặt và giám sát từ xa thông qua phần mềm.
17. Phù hợp cho nhiều ứng dụng quản lý chất lượng nước
- Nước cấp
- Nước thải
- Hệ thống RO/DI
- Bể công nghệ
- Công nghiệp
Thiết bị phù hợp cho các hệ thống cần giám sát EC trong tủ điện dạng DIN rail.
18. Hỗ trợ vận hành và bảo trì thuận tiện
- Có manual và spec sheet chính hãng
- Dễ thay thế nhờ thiết kế cắm đế
- Hỗ trợ hiệu chuẩn
- Có truyền thông RS-485
19. Sơ đồ đấu dây của WIL-102-ECH

Tóm lại
Shinko Technos WIL-102-ECH là thiết bị đo độ dẫn điện (EC) dạng plug-in DIN rail, kích thước nhỏ gọn 30 × 88 × 108 mm, hỗ trợ đo nhiệt độ, nhiều tùy chọn ngõ ra, cleansing output và RS-485. Đây là giải pháp phù hợp cho các hệ thống xử lý nước cần thiết bị linh hoạt, gọn và dễ bảo trì trong tủ điện.

